
Assembling some lithium batteries requires DIY an internal resistance meter by hand.
The schematic is as follows:

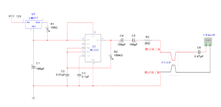
The basic principle is that the LM317 provides a constant current to power the 555. The 555 operates in an unstable state, producing a pulsed square wave output, which is then converted to an AC square wave signal by a DC-blocking capacitor.

After soldering is completed, replace the current-limiting resistor of the LM317 with a 100Ω potentiometer for real-time current adjustment. Then, find a case and put a 18650 battery in it, along with a boost module to adjust the output to around 12V.

The boost module is the same cheap one used to raise the voltage for a multimeter to 9V.

Since the boost module has a static current, a switch is added.

With the basic assembly completed, adjust the output current to 100mA.

To make it more aesthetically pleasing, a cover is made from a discarded circuit board.

Connect a pair of output sockets to the case.

Then measure the oscillation frequency of the 555, which is 940Hz.

Finally, attach the Kelvin clip and start testing.

The short-circuited clip reads zero.

Due to a lack of a small resistor, the measurement result with only a 909mΩ shunt resistor is 910mΩ, which is basically acceptable. However, there are no other benchmarks for comparison.

Next, measure the battery. The Star Heng drum king from the dismantled electric vehicle has an internal resistance of 3 milliohms.

Below are some measurement results for 18650 batteries:


A large amount of heat is generated during charging, and its internal resistance is almost 100 milliohms.
Two nickel-metal hydride batteries were also measured, and although there are no benchmark instruments for comparison, the results seem acceptable and sufficient for most people.

