
How to DIY a Simple Radio with TA7642-S? Check out this DIY article.
The principle is very simple: it's basically a 1.5V 7642 + 9015.
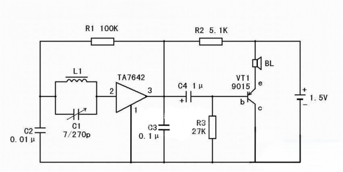
You can refer to the following direct amplification circuit diagram for the TA7642 radio:

The circuit diagram can be referenced from the following modular radio circuit schematic:

Additional materials needed:
· Earphones: Low-impedance earphones (4-64 ohms), MP3 or mobile phone earphones can be used. High-impedance earphones are not needed. The volume is moderately high and can be adjusted by replacing resistor R2-2.7K (2K-3K).
· Battery: 1.5V battery.
· Dimensions: 95x55mm. The PCB is designed for a 100x60x25mm plastic box, fitting perfectly with the screw positions aligned.
Listening effects (indoors, not near a window):
· Daytime indoors: Two stations.
· Nighttime indoors: Many stations, all with strong signals, up to ten can be received.
· Among them are two Japanese stations and one Korean station, occasionally receiving what seems like a Russian station.
Add a switch for casing preparation, imitating the 636. The case can be improved later.





